规格
零件数据
- 外壳或轴 轴用
- 轴向或径向 Radial
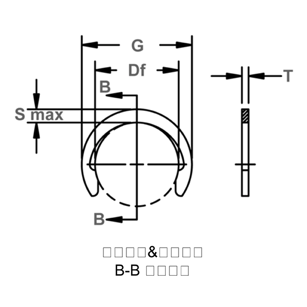
- 轴直径 Ds 0.812 英寸
- Ds mm 20.600 毫米
- 凹槽直径 Dg 0.729 - 0.735 - 英寸
- 凹槽宽度 W 0.046 - 0.049 - 英寸
- 凹槽深度 D 0.040 英寸
- 自由直径 Df 0.714 - 0.728 - 英寸
- 厚度 T *** 0.040 - 0.044 - 英寸
- 最大截面 S 最大值 0.092 - 0.102 - 英寸
- Outside Diameter G 0.915 英寸
- 间隙直径已安装在凹槽 L2 中 0.940 英寸
- 每 1000 件的重量 1.700 磅
- 边缘余量 Y 最小值 0.080 英寸
- 硬度 ST 66.000 - 71.000 - HR30N
- 硬度 SS 63.000 - 69.500 - HR30N
- 硬度 BC 54.000 - 62.000 - HR30N
- 互换 Waldes Truarc 5103 81
- 互换 IRR 2000 81
- 互换 Anderton N1800 0081
- 互换军用或航空 MS16632C 81
- 互换 Din
性能数据
- 推力载荷(磅)挡圈安全系数为 4 Pr 2,040 磅
- 推力载荷槽安全系数为 2 Pg 1,150 磅
- R.P.M. 限值标准材料转速 16,000.000
工具数据
- Standard Applicator (Flat) A-420
- 45 Applicator A-424
- 90 Applicator A-429
- Offset Applicator A-427
- Heavy Duty Dispenser D-170
- Spring Rail Dispenser SD-170
Product SKUs
页面所示零件号可能未包含所有。若未找到所需产品,或需选型协助,请联系我们。 contact us.
| Item SKU | Style | Material | Finish | Quote |
|---|---|---|---|---|
| C-81SS | External/Shaft crescent | PH 15-7 Stainless Steel | None/Self Finish | Quote |
| C-81SS MPS | External/Shaft crescent MS16632-4081 | PH 15-7 Stainless Steel | Military Passivation | Quote |
| C-81ST PD | External/Shaft crescent | Carbon Steel SAE 1070-1090 | Phosphate & Oil | Quote |
| C-81ST ZD | External/Shaft crescent | Carbon Steel SAE 1070-1090 | Zinc Dichromate | Quote |
| C-81ST ZF | External/Shaft crescent | Carbon Steel SAE 1070-1090 | Zinc Flash | Quote |
| C-81ST MCD | External/Shaft crescent MS16632-1081 | Carbon Steel SAE 1070-1090 | Military CAD Plating | Quote |
| C-81ST MPD | External/Shaft crescent MS16632-3081 | Carbon Steel SAE 1070-1090 | Military Phosphate and Oil | Quote |
| C-81ST MZD | External/Shaft crescent MS16632-2081 | Carbon Steel SAE 1070-1090 | Military Zinc Dichromate | Quote |
材料和表面处理
材料
- 碳钢(SAE 1060-1090)
- 不锈钢(PH15-7 Mo、PH17-7)
- 铍铜
- 特殊材料等级
表面处理
***For plated rings, add .002" (.05 mm) to the listed maximum thickness.
- PA - 磷酸盐, 碳钢
- PD - 磷酸盐和油, 碳钢
- PAL - 含密封剂的磷酸盐涂层, 碳钢
- HPD - 重磷酸盐和油, 碳钢
- ZD - 镀锌, 碳钢
- ZF - 亮锌, 碳钢
- ZDL - 含密封剂的重铬酸锌, 碳钢
- HZDL - 含密封剂的重铬酸锌, 碳钢
- Z3X - 锌镀三价铬酸盐, 碳钢
- ZFF - 闪镀锌, 碳钢
- CF - 闪镀铜, 碳钢
描述
Ensamblaje radial, media luna externo. Ideal para aplicaciones con poco espacio en las que se prefiere la instalación radial.





