规格
零件数据
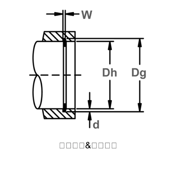
- 外壳或轴 孔用
- 轴向或径向 Axial
- 外壳直径Dh 4.250 英寸
- Dh 毫米 108.000 毫米
- 凹槽直径 Dg 4.562 - 4.568 - 英寸
- 凹槽宽度 W 0.089 - 0.097 - 英寸
- 凹槽深度 D 0.156 英寸
- 自由直径 Df 4.626 - 4.756 - 英寸
- 厚度 T *** 0.104 - 0.114 - 英寸
- 凸耳高度 H 0.362 - 0.378 - 英寸
- 最大截面 S 最大值 0.326 - 0.344 - 英寸
- 最小截面 S 最小值 0.171 - 0.189 - 英寸
- 孔直径 R 0.123 - 0.140 - 英寸
- Thickness Beveled End U 0.080 - 0.085 - 英寸
- 每 1000 件的重量 101.000 磅
- 边缘余量 Y 最小值 0.234 英寸
- 间隙直径外壳 L1 内压缩 3.480 英寸
- 间隙直径在凹槽 L2 中释放 3.630 英寸
- 凹槽 G 中的间隙宽度挡圈 0.743 英寸
- 硬度 ST 44.000 - 51.000 - HRC
- 硬度 SS 44.000 - 51.000 - HRC
- 硬度 BC 34.000 - 43.000 - HRC
- 互换 Waldes Truarc N5002 425
- 互换 IRR
- 互换 Anderton N1302 0425
- 互换军用或航空 MS16631F 425
- 互换 Din
性能数据
- 推力载荷(磅)挡圈安全系数为 4 Pr 66,483 磅
- 推力载荷(磅)凹槽安全系数为 2 Pg 66,483 磅
- Rigid End Play Take-Up 0.021 英寸
工具数据
- Ratchet Pliers (w/o Tips) RP-900
- Straight Ratchet Pliers Tips RP-7801R
- 45 Ratchet Pliers Tips RP-7845R
- 90 Ratchet Pliers Tips RP-7890R
Product SKUs
页面所示零件号可能未包含所有。若未找到所需产品,或需选型协助,请联系我们。 contact us.
| Item SKU | Style | Material | Finish | Quote |
|---|---|---|---|---|
| VHO-425ST ZD | Internal/Housing Beveled | Carbon Steel SAE 1070-1090 | Zinc Dichromate | Quote |
| VHO-425ST ZF | Internal/Housing Beveled | Carbon Steel SAE 1070-1090 | Zinc Flash | Quote |
| VHO-425ST MCD | Internal/Housing Beveled MS16631-1425 | Carbon Steel SAE 1070-1090 | Military CAD Plating | Quote |
| VHO-425ST MPD | Internal/Housing Beveled MS16631-3425 | Carbon Steel SAE 1070-1090 | Military Phosphate and Oil | Quote |
| VHO-425ST MZD | Internal/Housing Beveled MS16631-2425 | Carbon Steel SAE 1070-1090 | Military Zinc Dichromate | Quote |
| VHO-425ST SP2 PD | Internal/Housing Beveled | Carbon Steel SAE 1070-1090 | Phosphate & Oil | Quote |
材料和表面处理
材料
- 碳钢(SAE 1060-1090)
- 不锈钢(PH15-7 Mo、PH17-7)
- 铍铜
- 特殊材料等级
表面处理
***For plated rings, add .002" (.05 mm) to the listed maximum thickness.
- PA - 磷酸盐, 碳钢
- PD - 磷酸盐和油, 碳钢
- PAL - 含密封剂的磷酸盐涂层, 碳钢
- HPD - 重磷酸盐和油, 碳钢
- ZF - 亮锌, 碳钢
- ZDL - 含密封剂的重铬酸锌, 碳钢
- HZDL - 含密封剂的重铬酸锌, 碳钢
- Z3X - 锌镀三价铬酸盐, 碳钢
- ZFF - 闪镀锌, 碳钢
- CF - 闪镀铜, 碳钢
- ZD - 重铬酸锌, 碳钢
描述
VHO挡圈是轴向安装孔用斜面挡圈,属于Rotor Clip锥形截面挡圈系列。VHO挡圈外观与标准的HO挡圈相似,但具有15°斜角外缘,当安装于相配的斜角槽中时,会楔入槽与须固定的部件之间,消除间隙,确保部件不会在孔内沿轴移动。







