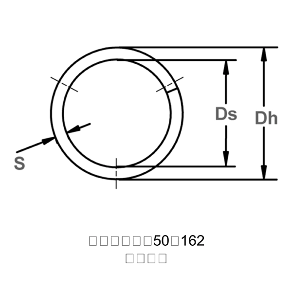
规格
零件数据
- Operates In Housing Diameter Dh 15.000 英寸
- 轴直径间隙 Ds 14.130 英寸
- 截面 S 0.375 英寸
- 厚度 T 0.032 英寸
- 波形弹簧设计 Gap Design. Patented Optional Flat End Available.
- 自由高度 Fh 0.350 英寸
- 波形数 12.000
- 圈数 1.000
- 工作高度 WH 0.156 英寸
- 弹簧刚度(参考) 1,186 lb/in
性能数据
- 载荷 230 磅
Product SKUs
页面所示零件号可能未包含所有。若未找到所需产品,或需选型协助,请联系我们。 contact us.
材料和表面处理
材料
- 碳钢(SAE 1060-1090)
- 特殊材料等级
- 不锈钢 AISI 302
- 不锈钢 AISI 316
- 不锈钢 (17-7 PH/C)
表面处理
***For plated rings, add .002" (.05 mm) to the listed maximum thickness.
- 油 - 油覆钢, 碳钢
- SPP - 钝化, 不锈钢
- Vapor Degreased & Ultrasonic (Stainless Finish), 不锈钢
文档
描述
SST波形弹簧是单层英制波形弹簧,属于Rotor Clip波形弹簧系列。这种弹簧是为短行程、低至中等力度的工况设计,提供多种波数及材料厚度。适用于多种孔径及杆径。



