规格
零件数据
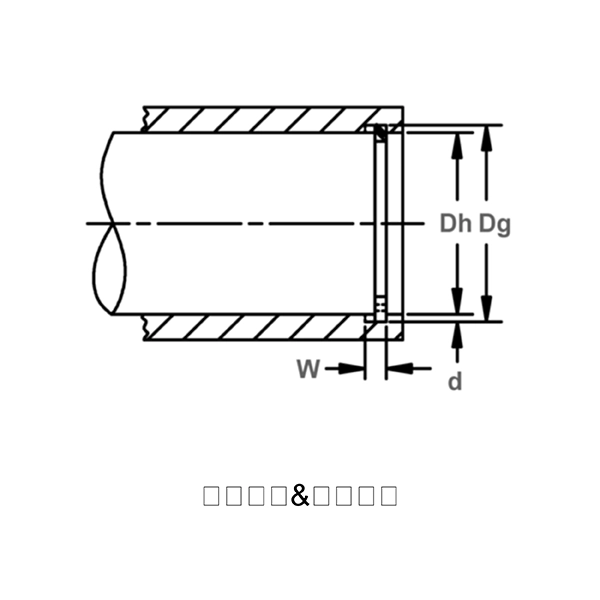
- 外壳或轴 孔用
- 轴向或径向 Axial
- 外壳直径Dh 0.906 英寸
- 凹槽直径 Dg 0.940 - 0.946 - 英寸
- 凹槽宽度 W 0.036 - 0.039 - 英寸
- 自由直径 Df 0.949 - 0.962 - 英寸
- 截面 S 0.060 - 0.068 - 英寸
- 厚度 T 0.029 - 0.033 - 英寸
- 互换军用或航空 M274263 116
性能数据
- 推力载荷环安全系数为 3 Pr 4,060 磅
- 推力载荷槽安全系数为 2 Pg 1,220 磅
Product SKUs
页面所示零件号可能未包含所有。若未找到所需产品,或需选型协助,请联系我们。 contact us.
| Item SKU | Style | Material | Finish | Quote |
|---|---|---|---|---|
| KM-90SJ | Spiral Internal/Housing Medium Duty | 302 Stainless | None/Self Finish | Quote |
| KM-90SJ SPA ND MP3 | Spiral Internal/Housing Medium Duty AS3217-116 | 302 Stainless | NADCAP Certified Finishing Process Passivation | Quote |
| KM-90ST OIL | Spiral Internal/Housing Medium Duty | Carbon Steel SAE 1070-1090 | Oil | Quote |
| KM-90SU | Spiral Internal/Housing Medium Duty | 316 Stainless | None/Self Finish | Quote |
材料和表面处理
材料
- 碳钢(SAE 1060-1090)
- 特殊材料等级
- 不锈钢 AISI 302
- 不锈钢 AISI 316
表面处理
***For plated rings, add .002" (.05 mm) to the listed maximum thickness.
- 油 - 油覆钢, 碳钢
文档
描述
KM挡圈是孔用中型螺旋挡圈,属于Rotor Clip螺旋挡圈系列。这种双层挡圈提供360°的槽接触,是为中等推力负荷的工况而设计。


