规格
零件数据
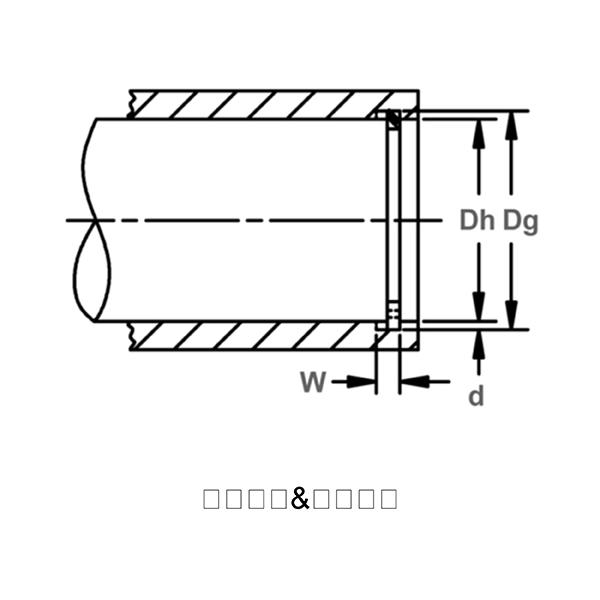
- 外壳或轴 孔用
- 轴向或径向 Axial
- 外壳直径Dh 2.062 英寸
- 凹槽直径 Dg 2.132 - 2.144 - 英寸
- 凹槽宽度 W 0.039 - 0.042 - 英寸
- 自由直径 Df 2.162 - 2.187 - 英寸
- 截面 S 0.154 - 0.162 - 英寸
- 厚度 T 0.029 - 0.033 - 英寸
性能数据
- 推力载荷环安全系数为 3 Pr 8,430 磅
- 推力载荷槽安全系数为 2 Pg 5,540 磅
Product SKUs
页面所示零件号可能未包含所有。若未找到所需产品,或需选型协助,请联系我们。 contact us.
材料和表面处理
材料
- 碳钢(SAE 1060-1090)
- 特殊材料等级
- 不锈钢 AISI 302
- 不锈钢 AISI 316
表面处理
***For plated rings, add .002" (.05 mm) to the listed maximum thickness.
- 油 - 油覆钢, 碳钢
文档
描述
KL挡圈是孔用轻型单层螺旋挡圈,属于Rotor Clip螺旋挡圈系列。这种单层螺旋挡圈的设计为轻型工况提供高效的孔内轴向固定。


