规格
零件数据
- 外壳或轴 轴用
- 轴向或径向 Radial
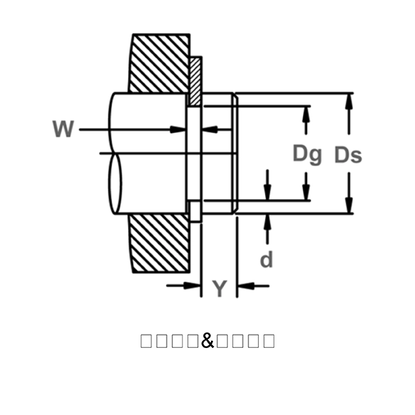
- Ds mm 7.000 - 9.000 - 毫米
- 凹槽直径 Dg 6.050 - 6.125 - 毫米
- 凹槽宽度 W 0.900 - 1.000 - 毫米
- 自由直径 Df 5.880 - 6.000 - 毫米
- 厚度 T *** 0.760 - 0.840 - 毫米
- Gap A 4.900 - 5.200 - 毫米
- Beam Width E 1.400 毫米
- Outside Diameter G 11.800 - 12.200 - 毫米
- 边缘余量 Y 最小值 1.200 毫米
- 硬度 ST 63.000 - 71.000 - HR30N
- 硬度 SS 63.000 - 69.500 - HR30N
- 硬度 BC 56.500 - 62.000 - HR30N
- 互换 Waldes Truarc
- 互换 IRR
- 互换 Anderton
- 互换军用或航空
- 互换 Din
工具数据
- Standard Applicator (Flat) A-606
- 45 Applicator A-6064
- 90 Applicator A-6069
- Offset Applicator A-6067
- Heavy Duty Dispenser D-759
Product SKUs
页面所示零件号可能未包含所有。若未找到所需产品,或需选型协助,请联系我们。 contact us.
| Item SKU | Style | Material | Finish | Quote |
|---|---|---|---|---|
| JE-6ST PD | JIS B 2805 Radially Assembled External/Shaft | Carbon Steel SAE 1070-1090 | Phosphate & Oil | Quote |
| JE-6ST Z3X | JIS B 2805 Radially Assembled External/Shaft | Carbon Steel SAE 1070-1090 | Trivalent Zinc | Quote |
| JE-6ST ZD | JIS B 2805 Radially Assembled External/Shaft | Carbon Steel SAE 1070-1090 | Zinc Dichromate | Quote |
| JE-6ST ZF | JIS B 2805 Radially Assembled External/Shaft | Carbon Steel SAE 1070-1090 | Zinc Flash | Quote |
材料和表面处理
材料
- 碳钢(SAE 1060-1090)
- 不锈钢(PH15-7 Mo、PH17-7)
- 铍铜
- 特殊材料等级
表面处理
***For plated rings, add .002" (.05 mm) to the listed maximum thickness.
- PA - 磷酸盐, 碳钢
- PD - 磷酸盐和油, 碳钢
- PAL - 含密封剂的磷酸盐涂层, 碳钢
- HPD - 重磷酸盐和油, 碳钢
- ZF - 亮锌, 碳钢
- ZDL - 含密封剂的重铬酸锌, 碳钢
- HZDL - 含密封剂的重铬酸锌, 碳钢
- Z3X - 锌镀三价铬酸盐, 碳钢
- ZFF - 闪镀锌, 碳钢
- CF - 闪镀铜, 碳钢
- ZD - 重铬酸锌, 碳钢
描述
JE挡圈是径向安装外用JIS标准挡圈,属于Rotor Clip径向挡圈系列。这种挡圈因其形似字母E的特有形状而得名,用三个爪与槽底接触,形成一个肩部,为组件提供有效的径向固定。




