规格
零件数据
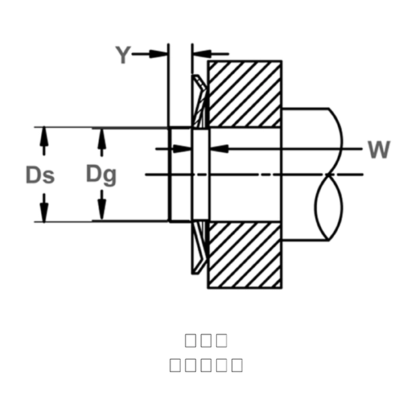
- 外壳或轴 轴用
- 轴向或径向 Axial
- Ds mm 2.940 - 3.000 - 毫米
- 凹槽直径 Dg 2.840 - 2.900 - 毫米
- 凹槽宽度 W 0.400 毫米
- 厚度 T *** 0.250 毫米
- No. Of Prongs 4.000
- Outside Diameter O.D. 8.000 毫米
- Inside Diameter I.D. 2.800 毫米
- 每 1000 件的重量 0.100 kg
- 边缘余量 Y 最小值 毫米
- Min. Distance Face Of Part To End Of Housing D1 1.500 毫米
- 硬度 ST 83.000 - 85.500 - HR15N
- 硬度 SS 82.500 - 86.000 - HR15N
- Hardness SG 84.000 - 87.500 - HR15N
- 互换 Waldes Truarc
- 互换 IRR
- 互换 Anderton M1465 0030
- 互换军用或航空
- 互换 Din
- Interchange Seeger-Orbis ZA 3
性能数据
- Thrust Load 200 N
Product SKUs
页面所示零件号可能未包含所有。若未找到所需产品,或需选型协助,请联系我们。 contact us.
| Item SKU | Style | Material | Finish | Quote |
|---|---|---|---|---|
| DTX-3SS | Metric External/Shaft Push On | PH 15-7 Stainless Steel | None/Self Finish | Quote |
| DTX-3ST HPD | Metric External/Shaft Push On | Carbon Steel SAE 1070-1090 | Heavy Phosphate and Oil | Quote |
| DTX-3ST PD | Metric External/Shaft Push On | Carbon Steel SAE 1070-1090 | Phosphate & Oil | Quote |
| DTX-3ST Z3X | Metric External/Shaft Push On | Carbon Steel SAE 1070-1090 | Trivalent Zinc | Quote |
| DTX-3ST ZD | Metric External/Shaft Push On | Carbon Steel SAE 1070-1090 | Zinc Dichromate | Quote |
| DTX-3ST ZF | Metric External/Shaft Push On | Carbon Steel SAE 1070-1090 | Zinc Flash | Quote |
材料和表面处理
材料
- 碳钢(SAE 1060-1090)
- 不锈钢(PH15-7 Mo、PH17-7)
- 铍铜
- 特殊材料等级
- 不锈钢 DIN 1.4122
- 磷青铜
表面处理
***For plated rings, add .002" (.05 mm) to the listed maximum thickness.
- PA - 磷酸盐, 碳钢
- PD - 磷酸盐和油, 碳钢
- PAL - 含密封剂的磷酸盐涂层, 碳钢
- HPD - 重磷酸盐和油, 碳钢
- ZD - 镀锌, 碳钢
- ZF - 亮锌, 碳钢
- ZDL - 含密封剂的重铬酸锌, 碳钢
- HZDL - 含密封剂的重铬酸锌, 碳钢
- Z3X - 锌镀三价铬酸盐, 碳钢
- ZFF - 闪镀锌, 碳钢
- CF - 闪镀铜, 碳钢
文档
描述
DTX挡圈是外用自锁公制推入式挡圈。这种挡圈的弧形外缘带有一系列向内凸出的爪,挡圈安装后,当承受负荷时,这些爪就会与轴形成过盈配合,提供牢固的轴向固定。



