规格
零件数据
- 外壳或轴 孔用
- 轴向或径向 Axial
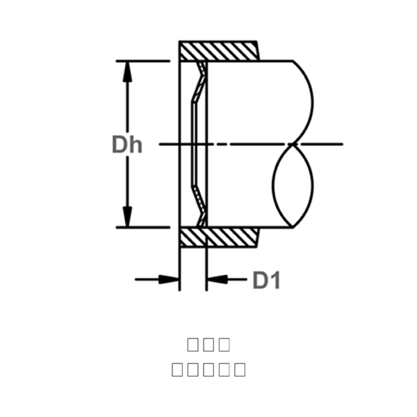
- Dh 毫米 30.000 - 30.100 - 毫米
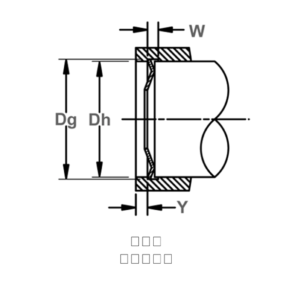
- 凹槽直径 Dg 30.200 - 30.330 - 毫米
- 凹槽宽度 W 1.000 毫米
- 厚度 T *** 0.500 毫米
- No. Of Prongs 8.000
- Outside Diameter O.D. 30.400 毫米
- Inside Diameter I.D. 21.000 毫米
- 每 1000 件的重量 1.000 kg
- 边缘余量 Y 最小值 毫米
- Min. Distance Face Of Part To End Of Housing D1 4.000 毫米
- 硬度 ST 83.000 - 85.500 - HR15N
- 硬度 SS 82.500 - 86.000 - HR15N
- Hardness SG 84.000 - 87.500 - HR15N
- 互换 Waldes Truarc
- 互换 IRR
- 互换 Anderton M1305 0300
- 互换军用或航空
- 互换 Din
- Interchange Seeger-Orbis ZJ 30
性能数据
- Thrust Load 900 N
Product SKUs
页面所示零件号可能未包含所有。若未找到所需产品,或需选型协助,请联系我们。 contact us.
材料和表面处理
材料
- 碳钢(SAE 1060-1090)
- 不锈钢(PH15-7 Mo、PH17-7)
- 铍铜
- 特殊材料等级
- 不锈钢 DIN 1.4122
- 磷青铜
表面处理
***For plated rings, add .002" (.05 mm) to the listed maximum thickness.
- PA - 磷酸盐, 碳钢
- PD - 磷酸盐和油, 碳钢
- PAL - 含密封剂的磷酸盐涂层, 碳钢
- HPD - 重磷酸盐和油, 碳钢
- ZF - 亮锌, 碳钢
- ZDL - 含密封剂的重铬酸锌, 碳钢
- HZDL - 含密封剂的重铬酸锌, 碳钢
- Z3X - 锌镀三价铬酸盐, 碳钢
- ZFF - 闪镀锌, 碳钢
- CF - 闪镀铜, 碳钢
- ZD - 重铬酸锌, 碳钢
文档
描述
DTI挡圈是孔用自锁公制推入式挡圈。这种挡圈是TX的孔用版本,采用弧形边设计,带有一系列向外凸出的爪;挡圈安装后,这些爪会与壳体形成过盈配合,提供孔内轴向固定。



