规格
零件数据
- 外壳或轴 孔用
- 轴向或径向 Axial
- Dh 毫米 90.000 毫米
- 凹槽直径 Dg 93.500 - 93.850 - 毫米
- 凹槽宽度 W 3.150 毫米
- 凹槽深度 D 1.750 毫米
- 自由直径 Df 94.960 - 96.800 - 毫米
- 厚度 T *** 2.920 - 3.000 - 毫米
- 凸耳高度 H 12.200 毫米
- 孔直径 R 3.500 毫米
- Large Sect. S 7.700 毫米
- 每 1000 件的重量 35.500 kg
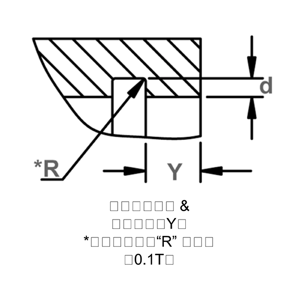
- 边缘余量 Y 最小值 5.300 毫米
- Allowable Radius / Chamfer R/Ch Max, 3.000 毫米
- 硬度 ST 44.000 - 51.000 - HRC
- Hardness SG 47.000 - 54.000 - HRC
- 互换 Waldes Truarc
- 互换 IRR
- 互换 Anderton D2000 0900
- 互换军用或航空
- 互换 Din DIN 984 90x3.00
- Interchange Seeger-Orbis JK 90
性能数据
- Thrust Load Ring Pr 199.000 kN
- Thrust Load Groove Pg 84.000 kN
- Max. Load W/ R Max Or Ch Max PR 31.400 kN
工具数据
- 标准钳子(直款) RPI-4
- 45 标准钳子 RPI-445
- 90 标准钳子 RPI-490
- 重型钳子(直款) RPN-J3
- 90 重型钳子 RPN-J31
Product SKUs
页面所示零件号可能未包含所有。若未找到所需产品,或需选型协助,请联系我们。 contact us.
| Item SKU | Style | Material | Finish | Quote |
|---|---|---|---|---|
| DHT-90ST PD | DIN 984 Internal/Housing With Teeth | Carbon Steel SAE 1070-1090 | Phosphate & Oil | Quote |
材料和表面处理
材料
- 碳钢(SAE 1060-1090)
- 不锈钢(PH15-7 Mo、PH17-7)
- 铍铜
- 特殊材料等级
- 不锈钢 DIN 1.4122
- 磷青铜
表面处理
***For plated rings, add .002" (.05 mm) to the listed maximum thickness.
- PA - 磷酸盐, 碳钢
- PD - 磷酸盐和油, 碳钢
- PAL - 含密封剂的磷酸盐涂层, 碳钢
- HPD - 重磷酸盐和油, 碳钢
- ZF - 亮锌, 碳钢
- ZDL - 含密封剂的重铬酸锌, 碳钢
- HZDL - 含密封剂的重铬酸锌, 碳钢
- Z3X - 锌镀三价铬酸盐, 碳钢
- ZFF - 闪镀锌, 碳钢
- CF - 闪镀铜, 碳钢
- ZD - 重铬酸锌, 碳钢
描述
DHT挡圈是带齿的轴向安装孔用公制挡圈,属于Rotor Clip锥形截面挡圈系列。其设计与DHO孔用挡圈类似,但DHT挡圈是带齿的,这些齿沿圆周均匀分布,使肩部加大。此加强表面是专门设计,用于在壳体内有效固定具有大圆角或倒角的部件。




