规格
零件数据
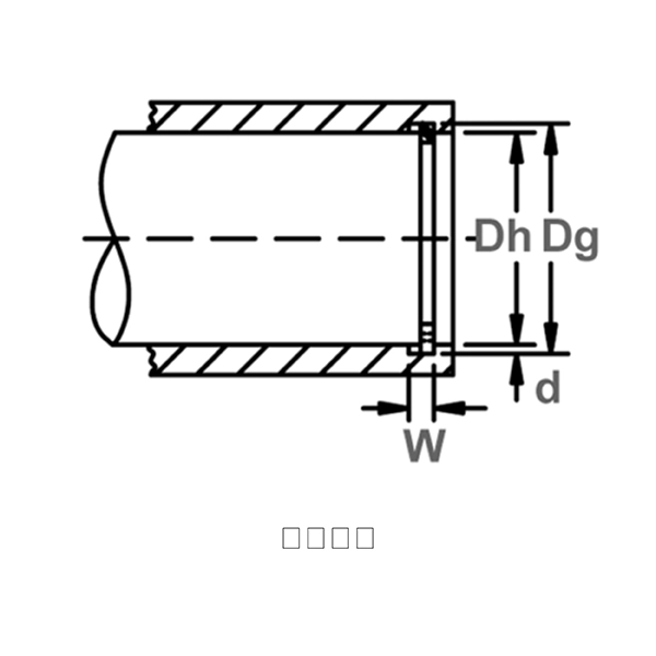
- 外壳或轴 孔用
- 轴向或径向 Axial
- Dh 毫米 31.000 毫米
- 凹槽直径 Dg 32.700 - 32.950 - 毫米
- 凹槽宽度 W 1.300 毫米
- 凹槽深度 D 0.850 毫米
- 自由直径 Df 33.150 - 33.900 - 毫米
- 厚度 T *** 1.140 - 1.200 - 毫米
- 凸耳高度 H 5.200 毫米
- 孔直径 R 2.500 毫米
- Large Sect. S 3.100 毫米
- 每 1000 件的重量 2.100 kg
- 边缘余量 Y 最小值 2.600 毫米
- Allowable Radius / Chamfer R/Ch Max, 1.000 毫米
- 硬度 ST 47.000 - 54.000 - HRC
- 硬度 SS 44.000 - 51.000 - HRC
- Hardness SG 47.000 - 54.000 - HRC
- 互换 Waldes Truarc
- 互换 IRR
- 互换 Anderton D1300 0310
- 互换军用或航空
- 互换 Din DIN 472 31x1.20
- Interchange Seeger-Orbis J 31
性能数据
- Thrust Load Ring Pr 13.800 kN
- Thrust Load Groove Pg 14.100 kN
- Max. Load W/ R Max Or Ch Max PR 4.700 kN
工具数据
- 标准钳子(直款) RPI-3
- 45 标准钳子 RPI-345
- 90 标准钳子 RPI-390
- 重型钳子(直款) RPN-J2
- 90 重型钳子 RPN-J21
Product SKUs
页面所示零件号可能未包含所有。若未找到所需产品,或需选型协助,请联系我们。 contact us.
| Item SKU | Style | Material | Finish | Quote |
|---|---|---|---|---|
| DHO-31SG | DIN 471 Internal/Housing | DIN 1.4122 Stainless | None/Self Finish | Quote |
| DHO-31SS | DIN 471 Internal/Housing | PH 15-7 Stainless Steel | None/Self Finish | Quote |
| DHO-31ST PD | DIN 471 Internal/Housing | Carbon Steel SAE 1070-1090 | Phosphate & Oil | Quote |
| DHO-31ST Z3X | DIN 471 Internal/Housing | Carbon Steel SAE 1070-1090 | Trivalent Zinc | Quote |
材料和表面处理
材料
- 碳钢(SAE 1060-1090)
- 不锈钢(PH15-7 Mo、PH17-7)
- 铍铜
- 特殊材料等级
- 不锈钢 DIN 1.4122
- 磷青铜
表面处理
***For plated rings, add .002" (.05 mm) to the listed maximum thickness.
- PA - 磷酸盐, 碳钢
- PD - 磷酸盐和油, 碳钢
- PAL - 含密封剂的磷酸盐涂层, 碳钢
- HPD - 重磷酸盐和油, 碳钢
- ZD - 镀锌, 碳钢
- ZF - 亮锌, 碳钢
- ZDL - 含密封剂的重铬酸锌, 碳钢
- HZDL - 含密封剂的重铬酸锌, 碳钢
- Z3X - 锌镀三价铬酸盐, 碳钢
- ZFF - 闪镀锌, 碳钢
- CF - 闪镀铜, 碳钢
描述
Ensamblaje axial, interno, métrico. Una vez instalado en la ranura de un alojamiento/orificio, la parte del anillo que sobresale de la ranura (también llamada hombro) mantiene un ensamble en su sitio.





