规格
零件数据
- 外壳或轴 孔用
- 轴向或径向 Axial
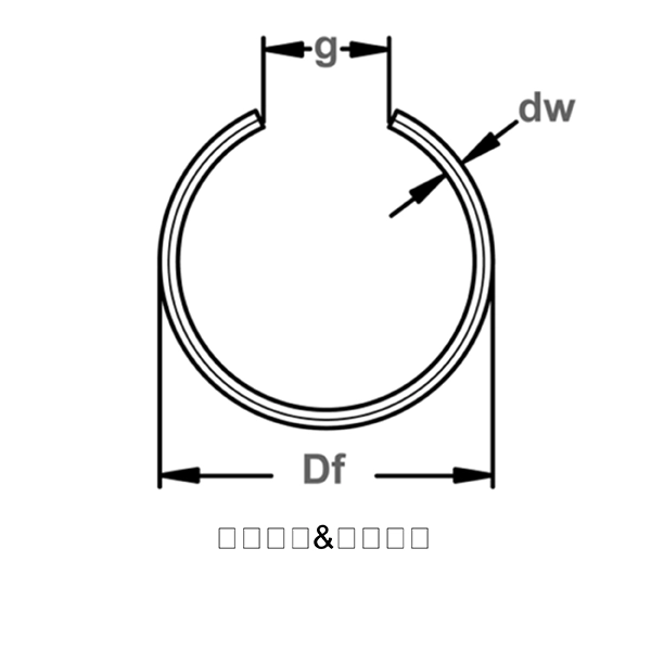
- 外壳直径Dh 1.496 英寸
- Dh 毫米 38.000 毫米
- 凹槽直径 Dg 40.400 - 40.600 - 毫米
- 自由直径 Df 40.900 - 41.500 - 毫米
- Free Gap G 12.000 毫米
- Wire Dia. dw 2.500 毫米
- 每 1000 件的重量 4.200 kg
- Groove Radius R 1.400 毫米
- 互换 Din DIN 7993 Type B 38x2.5
- Interchange Seeger-Orbis RB 38
Product SKUs
页面所示零件号可能未包含所有。若未找到所需产品,或需选型协助,请联系我们。 contact us.
| Item SKU | Style | Material | Finish | Quote |
|---|---|---|---|---|
| CRH-38ST OIL | DIN 7993 Internal/Housing Constant Section | Carbon Steel SAE 1070-1090 | Oil | Quote |
材料和表面处理
材料
- 碳钢(SAE 1060-1090)
- 不锈钢 AISI 302
- 不锈钢 AISI 316
表面处理
***For plated rings, add .002" (.05 mm) to the listed maximum thickness.
- 油 - 油覆钢, 碳钢
文档
描述
HBH挡圈是孔用公制同心挡圈,属于Rotor Clip同心挡圈系列。安装于壳体/孔内的槽后,挡圈从槽中凸出的部分形成肩部,可固定组件,防止组件在孔内沿轴移动。


