规格
零件数据
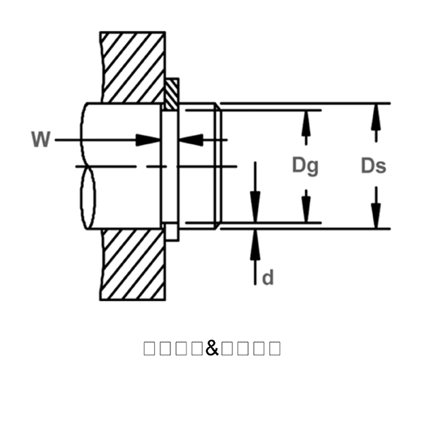
- 外壳或轴 轴用
- 轴向或径向 Axial
- 轴直径 Ds 0.562 英寸
- 凹槽直径 Dg 0.528 - 0.532 - 英寸
- 凹槽宽度 W 0.043 - 0.049 - 英寸
- 自由直径 Df 0.511 - 0.524 - 英寸
- 截面 S 0.051 - 0.059 - 英寸
- 厚度 T 0.035 - 0.039 - 英寸
- 互换军用或航空
性能数据
- 推力载荷环安全系数为 3 Pr 2,613 磅
- 推力载荷槽安全系数为 2 Pg 596 磅
- R.P.M. 限值标准材料转速 32,410.000
Product SKUs
页面所示零件号可能未包含所有。若未找到所需产品,或需选型协助,请联系我们。 contact us.
材料和表面处理
材料
- 碳钢(SAE 1060-1090)
- 特殊材料等级
- 不锈钢 AISI 302
- 不锈钢 AISI 316
表面处理
***For plated rings, add .002" (.05 mm) to the listed maximum thickness.
- 油 - 油覆钢, 碳钢
文档
描述
Anillo de presión externo, trabajo pesado. Estos anillos en espiral de una sola vuelta son ideales para aplicaciones que implican cargas de empuje elevadas.



