规格
零件数据
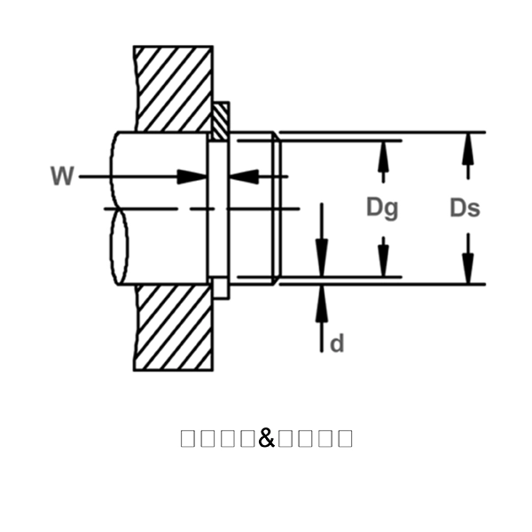
- 外壳或轴 轴用
- 轴向或径向 Axial
- 轴直径 Ds 155.000 毫米
- 凹槽直径 Dg 150.950 - 151.310 - 毫米
- 凹槽宽度 W 1.700 - 1.800 - 毫米
- 自由直径 Df 148.520 - 149.660 - 毫米
- 截面 S 5.600 - 5.800 - 毫米
- 厚度 T 1.500 - 1.600 - 毫米
- 互换军用或航空
性能数据
- 推力载荷环安全系数为 3 Pr 208.160 kN
- 推力载荷槽安全系数为 2 Pg 146.360 kN
- R.P.M. 限值标准材料转速 961.000
Product SKUs
页面所示零件号可能未包含所有。若未找到所需产品,或需选型协助,请联系我们。 contact us.
| Item SKU | Style | Material | Finish | Quote |
|---|---|---|---|---|
| CLM-155SJ | Spiral External/Shaft Metric Light Duty | 302 Stainless | None/Self Finish | Quote |
| CLM-155ST OIL | Spiral External/Shaft Metric Light Duty | Carbon Steel SAE 1070-1090 | Oil | Quote |
| CLM-155SU | Spiral External/Shaft Metric Light Duty | 316 Stainless | None/Self Finish | Quote |
材料和表面处理
材料
- 碳钢(SAE 1060-1090)
- 特殊材料等级
- 不锈钢 AISI 302
- 不锈钢 AISI 316
表面处理
***For plated rings, add .002" (.05 mm) to the listed maximum thickness.
- 油 - 油覆钢, 碳钢
文档
描述
CLM挡圈是外用轻型公制单层螺旋挡圈,属于Rotor Clip螺旋挡圈系列。这种挡圈为轻型公制工况提供外部轴向固定。


