规格
零件数据
- 外壳或轴 孔用
- 轴向或径向 Axial
- 外壳直径Dh 0.901 英寸
- Dh 毫米 22.900 毫米
- 凹槽直径 Dg 0.956 - 0.962 - 英寸
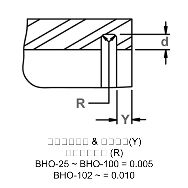
- 凹槽宽度 W 0.062 - 0.065 - 英寸
- 凹槽深度 D 0.029 英寸
- 自由直径 Df 0.985 - 1.015 - 英寸
- 厚度 T *** 0.040 - 0.044 - 英寸
- 凸耳高度 H 0.150 - 0.160 - 英寸
- 最大截面 S 最大值 0.082 - 0.092 - 英寸
- 最小截面 S 最小值 0.042 - 0.052 - 英寸
- 孔直径 R 0.060 - 0.072 - 英寸
- 弓高 Bh 0.060 - 0.081 - 英寸
- 每 1000 件的重量 2.200 磅
- 边缘余量 Y 最小值 英寸
- 间隙直径外壳 L1 内压缩 0.565 英寸
- 间隙直径在凹槽 L2 中释放 0.620 英寸
- 凹槽 G 中的间隙宽度挡圈 英寸
- 外槽壁至锁紧零件表面 J 最大值 0.049 英寸
- 外槽壁至锁紧零件表面 J 最小值 0.060 英寸
- 硬度 ST 66.000 - 71.000 - HR30N
- 硬度 SS 63.000 - 69.500 - HR30N
- 硬度 BC 54.000 - 62.000 - HR30N
- 互换 Waldes Truarc N5001 90
- 互换 IRR 3001 X90
- 互换 Anderton N1301 0900
- 互换军用或航空 MS16629E 90
- 互换 Din
性能数据
- 推力载荷(磅)挡圈安全系数为 4 Pr 5,430 磅
- 推力载荷(磅)凹槽安全系数为 2 Pg 2,200 磅
- Resilient Take-Up Of Tolerances A & B 0.011 英寸
- 压平挡圈所需的力 65.000 磅
工具数据
- 标准钳子(直款) RPL-100
- 45 标准钳子 RPL-104
- 90 标准钳子 RPL-109
- 可转换钳子 RP-320
- 45 可转换钳子 RP-324
- 90 可转换钳子 RP-329
- 重型钳子(直款) RPN-J1
- 90 重型钳子 RPN-J11
Product SKUs
页面所示零件号可能未包含所有。若未找到所需产品,或需选型协助,请联系我们。 contact us.
| Item SKU | Style | Material | Finish | Quote |
|---|---|---|---|---|
| BHO-90SS | Bowed Internal/Housing | PH 15-7 Stainless Steel | None/Self Finish | Quote |
| BHO-90SS MPS | Bowed Internal/Housing MS16629-4090 | PH 15-7 Stainless Steel | Military Passivation | Quote |
| BHO-90ST PD | Bowed Internal/Housing | Carbon Steel SAE 1070-1090 | Phosphate & Oil | Quote |
| BHO-90ST MCD | Bowed Internal/Housing MS16629-1090 | Carbon Steel SAE 1070-1090 | Military CAD Plating | Quote |
| BHO-90ST MPD | Bowed Internal/Housing MS16629-3090 | Carbon Steel SAE 1070-1090 | Military Phosphate and Oil | Quote |
材料和表面处理
材料
- 碳钢(SAE 1060-1090)
- 不锈钢(PH15-7 Mo、PH17-7)
- 铍铜
- 特殊材料等级
表面处理
***For plated rings, add .002" (.05 mm) to the listed maximum thickness.
- PA - 磷酸盐, 碳钢
- PD - 磷酸盐和油, 碳钢
- PAL - 含密封剂的磷酸盐涂层, 碳钢
- HPD - 重磷酸盐和油, 碳钢
- ZD - 镀锌, 碳钢
- ZF - 亮锌, 碳钢
- ZDL - 含密封剂的重铬酸锌, 碳钢
- HZDL - 含密封剂的重铬酸锌, 碳钢
- Z3X - 锌镀三价铬酸盐, 碳钢
- ZFF - 闪镀锌, 碳钢
- CF - 闪镀铜, 碳钢
描述
BHO挡圈是带有弓形结构的轴向安装孔用挡圈,属于Rotor Clip锥形截面挡圈系列。这种挡圈是安装于壳体/孔内的槽中,其弓形设计会施加预紧力以补偿累计公差;在指定范围内,可确保部件不会在孔内沿轴移动。







