规格
零件数据
- 外壳或轴 轴用
- 轴向或径向 Axial
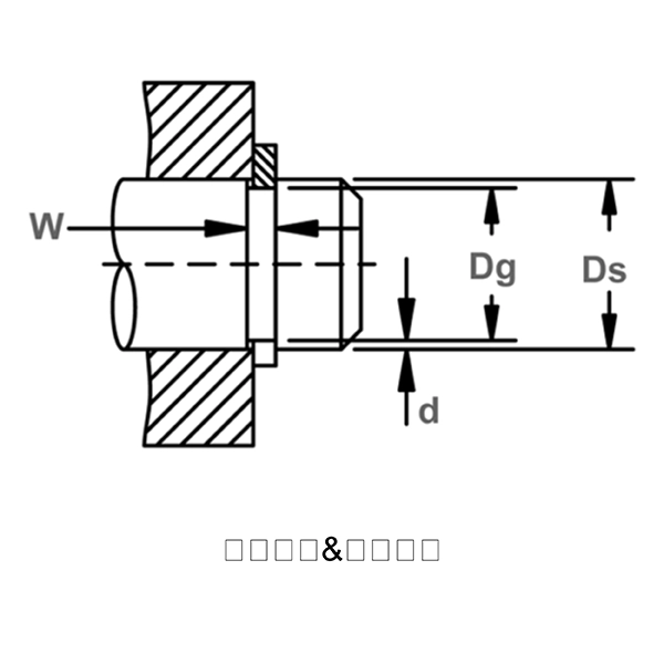
- 轴直径 Ds 1.812 英寸
- Ds mm 46.000 毫米
- 凹槽直径 Dg 1.703 - 1.713 - 英寸
- 凹槽宽度 W 0.068 - 0.072 - 英寸
- 凹槽深度 D 0.052 英寸
- 自由直径 Df 1.655 - 1.688 - 英寸
- 厚度 T *** 0.059 - 0.065 - 英寸
- 凸耳高度 H 0.193 - 0.205 - 英寸
- 最大截面 S 最大值 0.193 - 0.205 - 英寸
- 最小截面 S 最小值 0.094 - 0.106 - 英寸
- 孔直径 R 0.076 - 0.093 - 英寸
- 每 1000 件的重量 17.300 磅
- 边缘余量 Y 最小值 英寸
- Clearance Dia. Expanded Over Shaft L1 2.240 英寸
- 间隙直径在凹槽 L2 中释放 2.140 英寸
- Gaging Dia. Gd Max 英寸
- 硬度 ST 47.000 - 52.000 - HRC
- 硬度 SS 44.000 - 51.000 - HRC
- 硬度 BC 37.000 - 43.000 - HRC
- 互换 Waldes Truarc 5108 181
- 互换 IRR 4100 181
- 互换 Anderton N1408 0181
- 互换军用或航空 MS16626C 181
- 互换 Din
性能数据
- 推力载荷(磅)挡圈安全系数为 4 Pr 8,983 磅
- 推力载荷(磅)凹槽安全系数为 2 Pg 3,300 磅
- R.P.M. 限值标准材料转速 11,500.000
工具数据
- 标准钳子(直款) RP-400
- 45 标准钳子 RP-404
- 90 标准钳子 RP-409
- 可转换钳子 RP-340
- 45 可转换钳子 RP-344
- 90 可转换钳子 RP-349
- 重型钳子(直款) RPN-A2
- 90 重型钳子 RPN-A21
Product SKUs
页面所示零件号可能未包含所有。若未找到所需产品,或需选型协助,请联系我们。 contact us.
| Item SKU | Style | Material | Finish | Quote |
|---|---|---|---|---|
| SHI-181SS | External/shaft Inverted | PH 15-7 Stainless Steel | None/Self Finish | Quote |
| SHI-181SS MPS | External/shaft Inverted MS16626-4181 | PH 15-7 Stainless Steel | Military Passivation | Quote |
| SHI-181ST PD | External/shaft Inverted | Carbon Steel SAE 1070-1090 | Phosphate & Oil | Quote |
| SHI-181ST ZD | External/shaft Inverted | Carbon Steel SAE 1070-1090 | Zinc Dichromate | Quote |
| SHI-181ST ZF | External/shaft Inverted | Carbon Steel SAE 1070-1090 | Zinc Flash | Quote |
| SHI-181ST MCD | External/shaft Inverted Inverted Ext. Ring Cadmiun Plated w/BOB | Carbon Steel SAE 1070-1090 | Military CAD Plating | Quote |
材料和表面处理
材料
- 碳钢(SAE 1060-1090)
- 不锈钢(PH15-7 Mo、PH17-7)
- 铍铜
- 特殊材料等级
表面处理
***For plated rings, add .002" (.05 mm) to the listed maximum thickness.
- PA - 磷酸盐, 碳钢
- PD - 磷酸盐和油, 碳钢
- PAL - 含密封剂的磷酸盐涂层, 碳钢
- HPD - 重磷酸盐和油, 碳钢
- ZF - 亮锌, 碳钢
- ZDL - 含密封剂的重铬酸锌, 碳钢
- HZDL - 含密封剂的重铬酸锌, 碳钢
- Z3X - 锌镀三价铬酸盐, 碳钢
- ZFF - 闪镀锌, 碳钢
- CF - 闪镀铜, 碳钢
- ZD - 重铬酸锌, 碳钢
描述
SHI挡圈是带有反向凸耳的轴向安装外用挡圈,属于Rotor Clip锥形截面挡圈系列。其功能与标准的SH挡圈类似,但其反向凸耳设计减少了凸耳伸出轴圆周外的程度,使其适合应用于径向间隙极小的工况。








