规格
零件数据
- 外壳或轴 轴用
- 轴向或径向 Radial
- 轴直径 Ds 1.500 英寸
- Ds mm 38.100 毫米
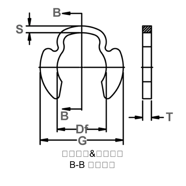
- 凹槽直径 Dg 1.302 - 1.332 - 英寸
- 凹槽宽度 W 0.120 - 0.130 - 英寸
- 凹槽深度 D 0.091 英寸
- 自由直径 Df 1.242 - 1.258 - 英寸
- 厚度 T *** 0.106 - 0.112 - 英寸
- Large Sect. S 0.208 - 0.208 - 英寸
- Outside Diameter G 2.050 英寸
- 间隙直径已安装在凹槽 L2 中 2.180 英寸
- 每 1000 件的重量 36.300 磅
- 边缘余量 Y 最小值 0.182 英寸
- 硬度 ST 47.000 - 53.000 - HRC
- 硬度 SS 44.000 - 51.000 - HRC
- 硬度 BC 34.000 - 43.000 - HRC
- 互换 Waldes Truarc 5304 150
- 互换 IRR
- 互换 Anderton
- 互换军用或航空
- 互换 Din
性能数据
- Thrust Load Ring Safety Factor Of 2.5 Pr 15,530.000 磅
- 推力载荷槽安全系数为 2 Pg 4,800 磅
- R.P.M. 限值标准材料转速 9,000.000
Product SKUs
页面所示零件号可能未包含所有。若未找到所需产品,或需选型协助,请联系我们。 contact us.
| Item SKU | Style | Material | Finish | Quote |
|---|---|---|---|---|
| PO-150SS | Radially Assembled External/Shaft Poodle | PH 15-7 Stainless Steel | None/Self Finish | Quote |
| PO-150ST PD | Radially Assembled External/Shaft Poodle | Carbon Steel SAE 1070-1090 | Phosphate & Oil | Quote |
| PO-150ST ZD | Radially Assembled External/Shaft Poodle | Carbon Steel SAE 1070-1090 | Zinc Dichromate | Quote |
| PO-150ST ZF | Radially Assembled External/Shaft Poodle | Carbon Steel SAE 1070-1090 | Zinc Flash | Quote |
材料和表面处理
材料
- 碳钢(SAE 1060-1090)
- 不锈钢(PH15-7 Mo、PH17-7)
- 铍铜
- 特殊材料等级
表面处理
***For plated rings, add .002" (.05 mm) to the listed maximum thickness.
- PA - 磷酸盐, 碳钢
- PD - 磷酸盐和油, 碳钢
- PAL - 含密封剂的磷酸盐涂层, 碳钢
- HPD - 重磷酸盐和油, 碳钢
- ZF - 亮锌, 碳钢
- ZDL - 含密封剂的重铬酸锌, 碳钢
- HZDL - 含密封剂的重铬酸锌, 碳钢
- Z3X - 锌镀三价铬酸盐, 碳钢
- ZFF - 闪镀锌, 碳钢
- CF - 闪镀铜, 碳钢
- ZD - 重铬酸锌, 碳钢
描述
PO挡圈是径向安装外用挡圈,属于Rotor Clip径向挡圈系列。PO型挡圈具有宽大的耳部,形似贵宾犬的耳朵,为所固定部件提供额外的固定表面。







