规格
零件数据
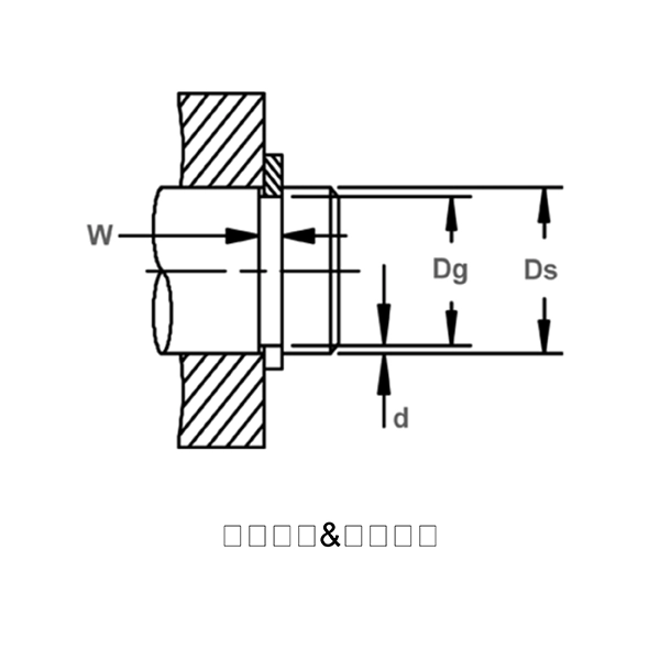
- 外壳或轴 轴用
- 轴向或径向 Axial
- 轴直径 Ds 65.000 毫米
- 凹槽直径 Dg 62.660 - 62.960 - 毫米
- 凹槽宽度 W 1.420 - 1.520 - 毫米
- 自由直径 Df 61.570 - 62.200 - 毫米
- 截面 S 3.600 - 3.800 - 毫米
- 厚度 T 1.200 - 1.300 - 毫米
- 互换军用或航空
性能数据
- 推力载荷环安全系数为 3 Pr 73,916 N
- 推力载荷槽安全系数为 2 Pg 50,267 N
Product SKUs
页面所示零件号可能未包含所有。若未找到所需产品,或需选型协助,请联系我们。 contact us.
| Item SKU | Style | Material | Finish | Quote |
|---|---|---|---|---|
| MCM-65SJ | Metric Spiral External/Shaft Medium Duty | 302 Stainless | None/Self Finish | Quote |
| MCM-65ST OIL | Metric Spiral External/Shaft Medium Duty | Carbon Steel SAE 1070-1090 | Oil | Quote |
| MCM-65SU | Metric Spiral External/Shaft Medium Duty | 316 Stainless | None/Self Finish | Quote |
材料和表面处理
材料
- 碳钢(SAE 1060-1090)
- 特殊材料等级
- 不锈钢 AISI 302
- 不锈钢 AISI 316
表面处理
***For plated rings, add .002" (.05 mm) to the listed maximum thickness.
- 油 - 油覆钢, 碳钢
文档
描述
Externo, trabajo mediano, métrico. Estos anillos de 2 vueltas proporcionan un contacto de ranura de 360° y son diseñados para aplicaciones con cargas de empuje medias.


